
US Motors Hostile Duty TEFC, 5 HP, 3-Phase, 1800 RPM Motor, HD5P2E
The World Motor HOSTILE DUTY™, INVERTER DUTY™ line from U.S. MOTORS® features rugged, cast iron TEFC motors designed for variable frequency drive (VFD) applications. Built with patented Inverter Grade® insulation and equipped with Aegis® shaft grounding rings and thermal overload protection, these motors exceed NEMA MG-1 standards and come with a 36-month warranty from installation.
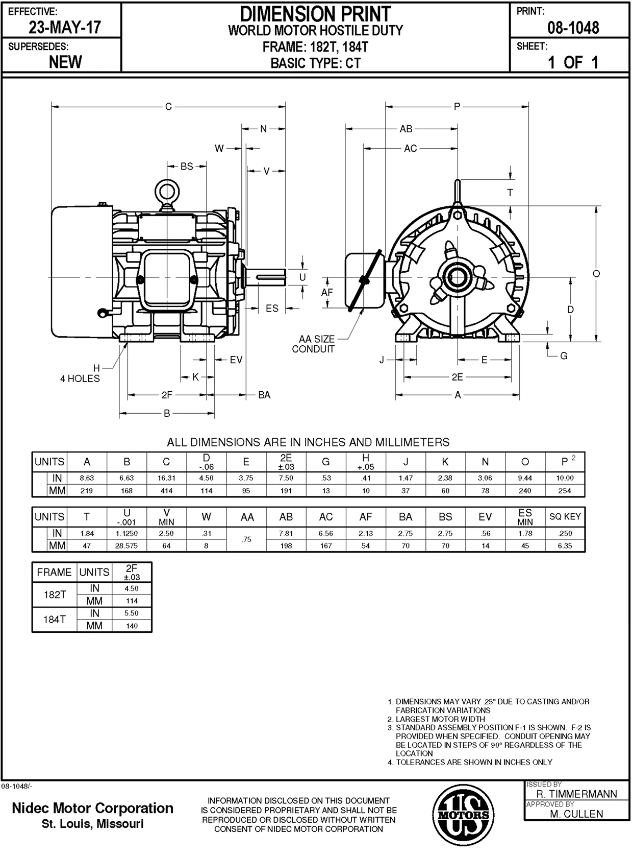
Model Number: JF30
Catalog Number: HD5P2E
Horsepower: 5
Pole(s): 04
Voltage(s): 460-230 / 400-200
Frame Size: 184T
Shaft U Diameter: 1.125
Outlet Box AF: 2.13
Outlet Box AA: 0.75
Features & Specs
- Horsepower 00005.00 ~ KW: 3.73
- Enclosure TEFC
- Poles 04 ~ RPM: 1800
- Frame Size 184~T
- Phase/Frequency/Voltage 3~060~230/460
- Winding Type Random Wound
- Service Factor 1.25
- Insulation Class Class 'F' ~ Insulife 1000
- Altitude In Feet (Max) 3300 Ft.(1000 M)
- Ambient In Degree C (Max) +40 C
- Assembly Position 'F-1' Assembly Position
- Efficiency Class Premium Efficiency
- Application Unknown
- Customer Part Number Unknown
- 5 Horsepower 50 Hertz ~ 200/400 Volts
- 'AK' Dimension (Inches) NA
- Temperature Rise (Sine Wave) 'B' Rise @ 1.0 SF (Resist)
- Starting Method Direct-On-Line Start
- Duty Cycle Continuous Duty
- Efficiency Value 89.5 % ~ Typical
- Load Inertia NEMA ~ Standard Inertia: 27 LB-FT2
- Number Of Starts Per Hour NEMA
- Motor Type Code CTE
- Rotor Inertia (LB-FT²) .405 LB-FT²
- Qty. of Bearings PE (Shaft) 1
- Qty. of Bearings SE (OPP) 1
- Bearing Number PE (Shaft) 6206-2Z-J/C3
- Bearing Number SE (OPP) 6205-2Z-J/C3

